model | 6575-6536 |
type | bearing |
Cone Part Number | 6575 |
Cup Part Number | 6536 |
Metering System | Imperial |
Bearing Type | Roller |
Roller Bearing Type | Tapered roller |
Load Direction | Radial force and axial force |
Structure | Single Column |
Seal Type | Open |
Outer ring type | Standard Type |
series | 6500 |
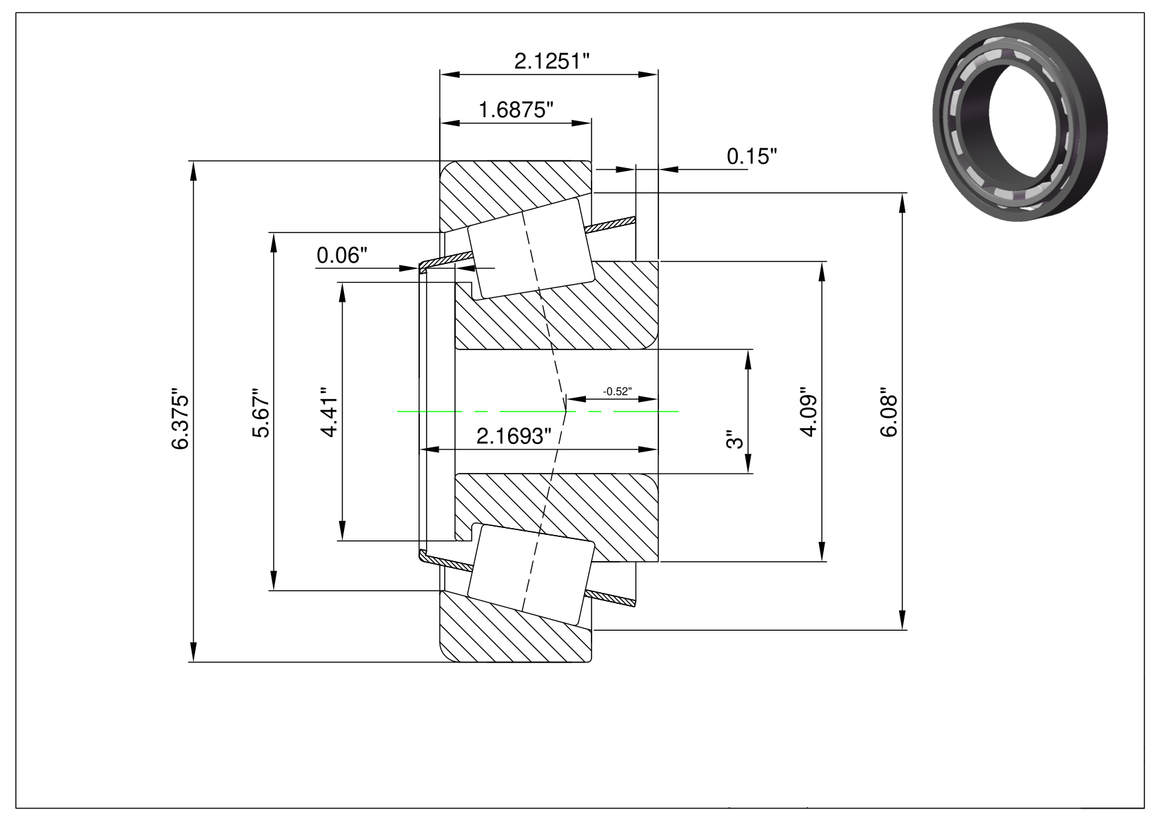
Inside Diameter | 3" |
Inner Diameter Tolerance | +0.013" to 0 |
Outer Diameter | 6.375" |
Outer Diameter Tolerance | +0.025" to 0 |
Cone Width | 2.1693" |
Cone Width | +0.076" to -0.254" |
Cup width | 1.6875" |
Cup Width | +0.051" to -0.254" |
Width | 2.1251" |
Width Tolerance | +0.203" to 0 |
Cone back to clearance radius | 0.25" |
Cup back to cleaning radius | 0.03" |
Tapered Front Backing Diameter | 4.41" |
Tapered backing diameter | 4.09" |
Cup front backing diameter | 6.08" |
Cup backing diameter | 5.67" |
Cage cone front clearance | 0.06" |
Cage cone back clearance | 0.15" |
Effective central location | -0.52" |
Ferrule Material | 51200 Chrome steel |
Roller material | 51200 Chrome steel |
Cage Material | steel |
Dynamic Radial Load | 98800 lbf |
Static Radial Load | 118000 lbf |
Dynamic Radial Rating (90 million rpm) (C90) | 25600 lbf |
Dynamic Thrust Rating (90 million rpm) (Ca90) | 17600 lbf |
Lubricant | Lubricant Added |
Temperature Range | -30° to 110 °C |