model | 47685-47620A |
type | bearing |
Cone Part Number | 47685 |
Cup Part Number | 47620A |
Metering System | Imperial |
Bearing Type | Roller |
Roller Bearing Type | Tapered roller |
Load Direction | Radial force and axial force |
Structure | Single Column |
Seal Type | Open |
Outer ring type | Standard Type |
series | 47600 |
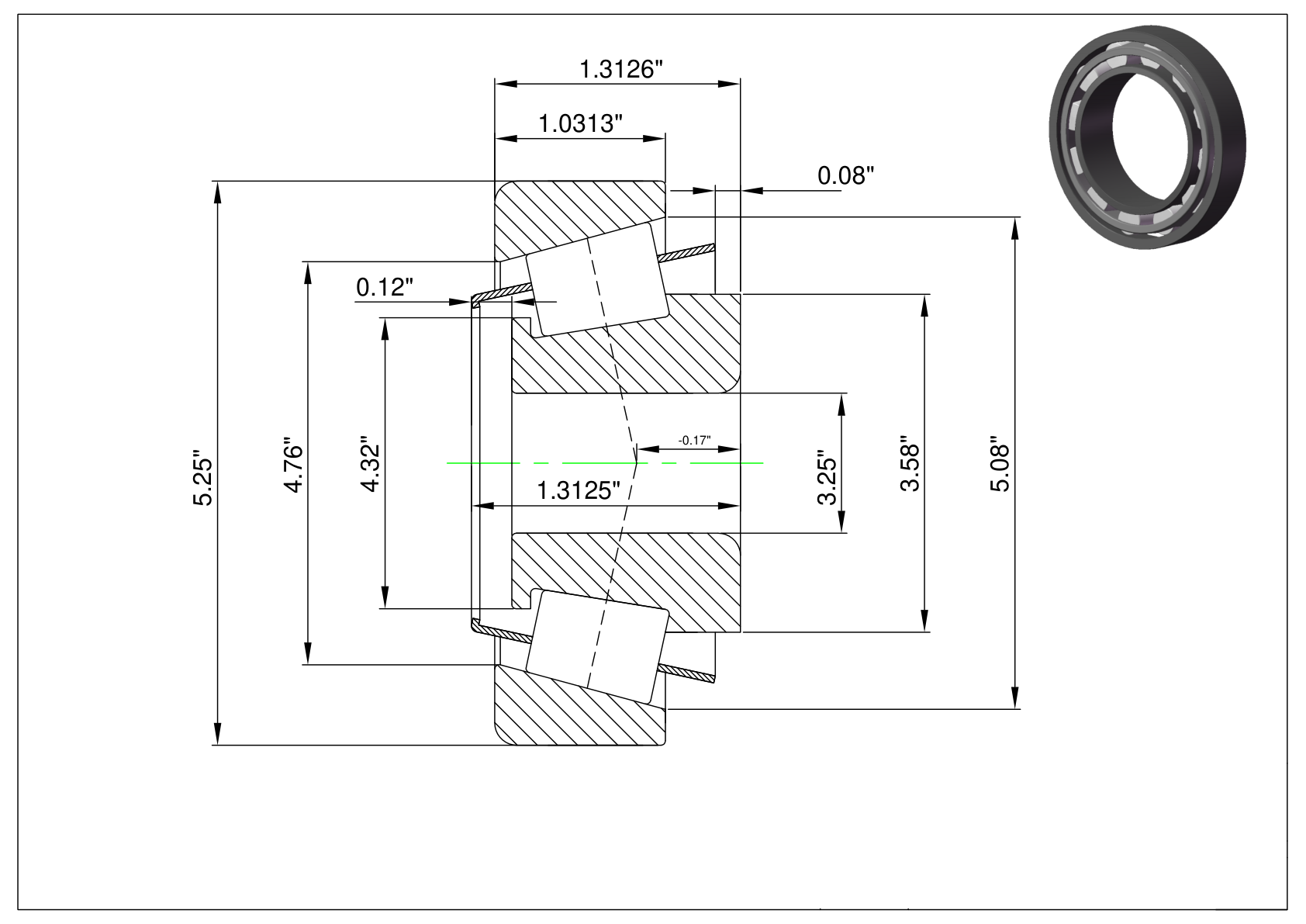
Inside Diameter | 3.25" |
Inner Diameter Tolerance | +0.025" to 0 |
Outer Diameter | 5.25" |
Outer Diameter Tolerance | +0.025" to 0 |
Cone Width | 1.3125" |
Cone Width | +0.076" to -0.254" |
Cup width | 1.0313" |
Cup Width | +0.051" to -0.254" |
Width | 1.3126" |
Width Tolerance | +0.203" to 0 |
Cone back to clearance radius | 0.03" |
Cup back to cleaning radius | 0.03" |
Tapered Front Backing Diameter | 4.32" |
Tapered backing diameter | 3.58" |
Cup front backing diameter | 5.08" |
Cup backing diameter | 4.76" |
Cage cone front clearance | 0.12" |
Cage cone back clearance | 0.08" |
Effective central location | -0.17" |
Ferrule Material | 51200 Chrome steel |
Roller material | 51200 Chrome steel |
Cage Material | steel |
Dynamic Radial Load | 48100 lbf |
Static Radial Load | 58900 lbf |
Dynamic Radial Rating (90 million rpm) (C90) | 12500 lbf |
Dynamic Thrust Rating (90 million rpm) (Ca90) | 8640 lbf |
Lubricant | Lubricant Added |
Temperature Range | -30° to 110 °C |